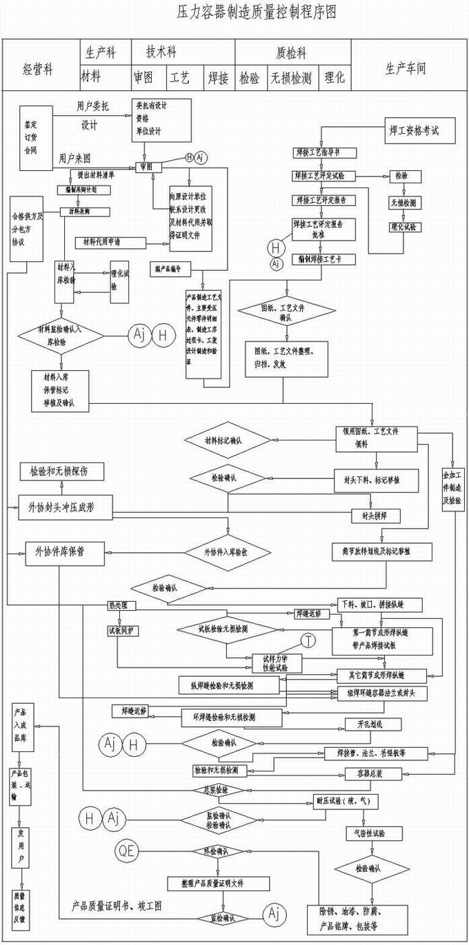
工藝流程

當前位置:首頁 > 企業(ye) 能力 > 工藝流程 >

 

星空体育网页版登录官网 / 星空体育在线主要星空体育app官网登录

備案號: